Tryck på bilden för att öppna i helskärm. Svep för att visa fler bilder.
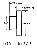
Badrumsfläkt BV3 med timer
- Dokumentation
- Dokumentation
Når du pusser opp, lønner det seg å tenke ventilasjon samtidig. Her får du enkle råd som hjelper deg å sikre et bedre inneklima og smartere valg for boligen din.
Når du bygger nytt hus, er valget av ventilasjon avgjørende for trivsel, energiforbruk og innemiljø. Flexit har over 50 års erfaring med ventilasjon tilpasset nordisk klima – vi hjelper deg å få det riktig fra planleggingsstadiet.
Ventilasjon i ny bolig er avgjørende for inneklima, energibruk og stabil drift. Med Flexit sikrer du sunne boliger og forutsigbar drift.
Ved rehabilitering eller oppgradering av bygg bør ventilasjonen forbedres. Det gir bedre inneklima, energieffektiv drift og økt verdi – uten store inngrep.
Mange eldre boliger har dårlig ventilasjon. Med løsninger fra Flexit kan du oppgradere ventilasjonen – uten ombygging eller store inngrep i boligen.
Riktig filter og reservedeler holder ditt Flexit-ventilasjonsanlegg i topp stand og sikrer godt inneklima.
Her finner du artikler som gir deg kunnskap, tips og råd om hvordan du kan skape et godt inneklima i hjemmet dit.
Riktig ventilasjon handler ikke bare om teknikk - det handler om valvære. Vi viser deg hvordan små grep kan gi stor forskjell for komfort og livskvalitet.
Tryck på bilden för att öppna i helskärm. Svep för att visa fler bilder.